Zündung Stufe 3 - keine Reaktion
Zündung Stufe 3 - keine Reaktion
Hallo.
mein Wagen zeigt ganz selten keinerlei Reaktion wenn ich ihn anlassen will. Soll heißen, der Anlasser dreht nicht und dessen Relais macht auch keine Geräusche, die Lampen gehen aber alle an so wie sie sollen. Den Zündschloßschalter habe ich bereits gewechselt. Gibt es sonst noch Möglichkeiten ?
Es muss nicht damit zusammen hängen aber wenn er nicht will dann lasse ich den Wagen im Leerlauf etwas rollen (20cm) und kupple dann ein. Danach ist meist alles wieder normal und der Anlasser dreht.
mfg
mb
mein Wagen zeigt ganz selten keinerlei Reaktion wenn ich ihn anlassen will. Soll heißen, der Anlasser dreht nicht und dessen Relais macht auch keine Geräusche, die Lampen gehen aber alle an so wie sie sollen. Den Zündschloßschalter habe ich bereits gewechselt. Gibt es sonst noch Möglichkeiten ?
Es muss nicht damit zusammen hängen aber wenn er nicht will dann lasse ich den Wagen im Leerlauf etwas rollen (20cm) und kupple dann ein. Danach ist meist alles wieder normal und der Anlasser dreht.
mfg
mb
- Druckwelle
- Schrauber
- Beiträge: 392
- Registriert: 19.02.2015, 22:55
- Fahrzeug: Corsa B X12XE 16V
Re: Zündung Stufe 3 - keine Reaktion
Hallo mbl240,
ein ähnliches Verhalten kenne ich zufällig vom Renault Twingo -
allerdings dreht dabei der Anlasser.
Das Phänomen tritt zuerst nur manchmal auf und 20cm schieben hilft dann...
Es ist dort immer der OT-Geber, der kein zuverlässiges Signal mehr liefert.
Bei Deinem Fall (Relais reagiert nicht) würde ich ein elektrisches Kontaktproblem im Leitungsweg vermuten
(Korrosion, Oxidation, Lockerung).
Gruß, Thomas
ein ähnliches Verhalten kenne ich zufällig vom Renault Twingo -
allerdings dreht dabei der Anlasser.

Das Phänomen tritt zuerst nur manchmal auf und 20cm schieben hilft dann...

Es ist dort immer der OT-Geber, der kein zuverlässiges Signal mehr liefert.
Bei Deinem Fall (Relais reagiert nicht) würde ich ein elektrisches Kontaktproblem im Leitungsweg vermuten
(Korrosion, Oxidation, Lockerung).
Gruß, Thomas
Ascona B >> Kadett E >> Rekord E > > Corsa B
Re: Zündung Stufe 3 - keine Reaktion
Danke, ich werde es durchprüfen.
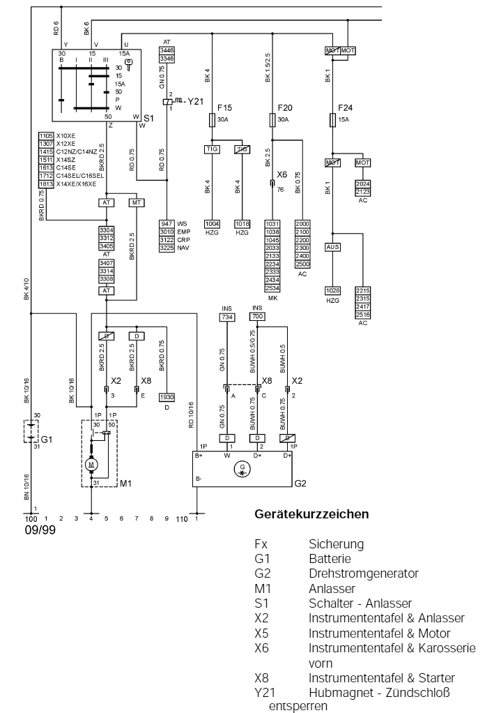
Hat der Wagen ein Relais für die Wegfahrsperre ? u.U. Y21 ? Das ist in meinen Schaltplänen leider nicht vermerkt und ich kann sie auch nicht lesen....aber ich kenne jemanden, der das kann.
mfg
mb
Hat der Wagen ein Relais für die Wegfahrsperre ? u.U. Y21 ? Das ist in meinen Schaltplänen leider nicht vermerkt und ich kann sie auch nicht lesen....aber ich kenne jemanden, der das kann.
mfg
mb
- Druckwelle
- Schrauber
- Beiträge: 392
- Registriert: 19.02.2015, 22:55
- Fahrzeug: Corsa B X12XE 16V
Re: Zündung Stufe 3 - keine Reaktion
Nein, hat er nicht.
Den Magnet Y21 im Zündschloß gibt es nur beim Automatikgetriebe (AT) -
der verhindert das Anlassen außerhalb der Wählhebel-Stellungen P und N.
Eine Wegfahrsperre habe ich nicht und ich kenne mich damit im Detail nicht so gut aus.
Könnte vielleicht nicht völlig als Fehlerursache ausgeschlossen werden...
Gruß, Thomas
Den Magnet Y21 im Zündschloß gibt es nur beim Automatikgetriebe (AT) -
der verhindert das Anlassen außerhalb der Wählhebel-Stellungen P und N.
Eine Wegfahrsperre habe ich nicht und ich kenne mich damit im Detail nicht so gut aus.
Könnte vielleicht nicht völlig als Fehlerursache ausgeschlossen werden...
Gruß, Thomas
Ascona B >> Kadett E >> Rekord E > > Corsa B
- CCSS
- Gott des Forums!
- Beiträge: 6119
- Registriert: 17.06.2012, 12:40
- Fahrzeug: Corsa D 1.6 Turbo
- Wohnort: 51688 Wipperfürth
Re: Zündung Stufe 3 - keine Reaktion
Bekommt denn die Steuerleitung am Anlasser Spannung, wenn du den Zündschlüssel durch ziehst?
Wenn ja, hat vermutlich der Magnetschalter im Anlasser ein Problem.
Wenn ja, hat vermutlich der Magnetschalter im Anlasser ein Problem.
Gruss Sebi
Re: Zündung Stufe 3 - keine Reaktion
Gute Frage, eigentlich knacken Anlasser auf "3" auch wenn sie nicht einspuren ww. die Batterie fast leer ist, meiner hat dies nicht. Deswegen war unser erster Gedanke der Zündschlossschalter, der war es aber nicht.
Ob nun Spannung auf der von dir angesprochen Leitgung ist weiß ich nicht, zumindest knackt er nicht. Mehr war bisher nicht untersuchbar da es nur ein Wackelkontakt ist, der tritt nur dann auf wenn man weit weg ist von der Garage etc.
mfg
mb
Ob nun Spannung auf der von dir angesprochen Leitgung ist weiß ich nicht, zumindest knackt er nicht. Mehr war bisher nicht untersuchbar da es nur ein Wackelkontakt ist, der tritt nur dann auf wenn man weit weg ist von der Garage etc.
mfg
mb
- Druckwelle
- Schrauber
- Beiträge: 392
- Registriert: 19.02.2015, 22:55
- Fahrzeug: Corsa B X12XE 16V
Re: Zündung Stufe 3 - keine Reaktion
Da hilft wohl nur abwarten, bis der Fehler wieder auftritt:
Vielleicht kannst Du im Vorfeld schon eine lange Prüf-Litze an Klemme 50 vom Magnet anbringen -
dann geht das messen leichter.
Ein Birnchen gegen Masse genügt ja dafür schon.
Falls ein Helfer zum Zündschlüsseldrehen da ist,
kannst Du probeweise am Anlasser klopfen (ja, ist nicht ganz leicht zu erreichen).
Als die Kohlen meiner Kraftstoffpumpe verbraucht waren,
hatte ich eine ältere Dame (Passantin) instruiert, den Zündschlüssel zu drehen,
damit ich währenddessen unten gegen den Tank klopfen kann (die Pumpe sitzt auf dem Tankboden).
Sie hatte zwar Angst, aber es hat sofort geklappt.
Hast Du es eigentlich auch schon mal mit Anschieben probieren müssen, oder reicht das 20cm-Bewegen immer??
Gruß, Thomas
Vielleicht kannst Du im Vorfeld schon eine lange Prüf-Litze an Klemme 50 vom Magnet anbringen -
dann geht das messen leichter.
Ein Birnchen gegen Masse genügt ja dafür schon.
Falls ein Helfer zum Zündschlüsseldrehen da ist,
kannst Du probeweise am Anlasser klopfen (ja, ist nicht ganz leicht zu erreichen).
Als die Kohlen meiner Kraftstoffpumpe verbraucht waren,
hatte ich eine ältere Dame (Passantin) instruiert, den Zündschlüssel zu drehen,
damit ich währenddessen unten gegen den Tank klopfen kann (die Pumpe sitzt auf dem Tankboden).
Sie hatte zwar Angst, aber es hat sofort geklappt.

Hast Du es eigentlich auch schon mal mit Anschieben probieren müssen, oder reicht das 20cm-Bewegen immer??
Gruß, Thomas
Ascona B >> Kadett E >> Rekord E > > Corsa B
Re: Zündung Stufe 3 - keine Reaktion
20cm haben bisher immer gereicht.....das könnte man jetzt falsch verstehen hähähä.
Zwecks Anlasserklopfen: das hatte ich mal an einem Kadett D 1,3; stellenweise wollte er einfach nicht, dafür hatte ich dann einen Stock im Auto, bischen klopfen und alles war wieder OK.....zumindest bis ich auf der Autobahn im Stau stand. Als es wieder los ging soff mir der Motor ab. Am Schlüssel gedreht und: es ging nichts. Also Aussteigen, Knüppel raus, Haube auf, klopfen und Vollgas anfahren. Bis dahin hatte ich aber schon ca. 1000 neue Freunde.
mfg
mb
Zwecks Anlasserklopfen: das hatte ich mal an einem Kadett D 1,3; stellenweise wollte er einfach nicht, dafür hatte ich dann einen Stock im Auto, bischen klopfen und alles war wieder OK.....zumindest bis ich auf der Autobahn im Stau stand. Als es wieder los ging soff mir der Motor ab. Am Schlüssel gedreht und: es ging nichts. Also Aussteigen, Knüppel raus, Haube auf, klopfen und Vollgas anfahren. Bis dahin hatte ich aber schon ca. 1000 neue Freunde.

mfg
mb
-
- Fähiger Schrauber
- Beiträge: 590
- Registriert: 11.03.2008, 11:57
- Fahrzeug: Zafira A OPC
- Wohnort: 38820 Halberstadt
Re: Zündung Stufe 3 - keine Reaktion
Tippe auf deine Batterie, da meiner auch solche Symptome hatte. Batterie voll laden und versuche zu starten. Mein Anlasser hatte ab einer bestimmten Batteriespannung auf ein Schlag nix mehr gemacht auch mit Holzschlag nicht. Batterie wieder voll geladen und der Anlasser hat das wieder gemacht was er sollte.
Theoretisch Auto fahren kannn jeder aber praktisch nur Wenige!
Schön ist die Corsa B Zeit
!Ein Auto von dem ich nicht weg komme
Costa B BJ 96 erste Hand in Heliotrop die echte Männer Farbe jetzt umgebaut zum "X16XE"
Opel Vectra B CC x18xe BJ 96
Opel Zafira A Opc Bj 2002
Mein Auto rostet nicht,es speckt ab
!
Schön ist die Corsa B Zeit


Costa B BJ 96 erste Hand in Heliotrop die echte Männer Farbe jetzt umgebaut zum "X16XE"

Opel Vectra B CC x18xe BJ 96
Opel Zafira A Opc Bj 2002
Mein Auto rostet nicht,es speckt ab

- CCSS
- Gott des Forums!
- Beiträge: 6119
- Registriert: 17.06.2012, 12:40
- Fahrzeug: Corsa D 1.6 Turbo
- Wohnort: 51688 Wipperfürth
Re: Zündung Stufe 3 - keine Reaktion
Ich denke hier hat mb schon geschaut - soviel Sachverstand traue ich ihm nach diversen Beiträgen zuCorsarb+c hat geschrieben: 27.04.2020, 12:46 Tippe auf deine Batterie, da meiner auch solche Symptome hatte. Batterie voll laden und versuche zu starten. Mein Anlasser hatte ab einer bestimmten Batteriespannung auf ein Schlag nix mehr gemacht auch mit Holzschlag nicht. Batterie wieder voll geladen und der Anlasser hat das wieder gemacht was er sollte.

Wenn ein Magnetschalter richtig tot ist, knackt da nichts mehr.
Das bedeutet normalerweise, dass der Magnetschalter selbst arbeitet und das Ritzel vorschiebt, aber der Hauptstrom zum drehen des Anlassers nicht mehr durchgeschaltet wird (Kontaktproblem), oder der Anlassermotor selbst kaputt ist.
Sind die Anschlüsse denn alle fest? Ich hatte an meinem Wagen tatsächlich schonmal eine gelöste Mutter vom Hauptstromkabel.

Gut, geklackt hat es. Weil der Magnetschalter ja separat bestromt wird. Als dann der Hauptstrom für den Anlassermotor eben über die gelöste Mutter fließen sollte, passierte natürlich nichts.
Wie dem auch sei:
Die Idee mit der verlängerten Prüfleitung ist top. Damit würde ich anfangen. Ahjo: bitte aufpassen, nix blankes damit zu berühren. Macht noch mehr Probleme.

Gruss Sebi
-
- Fähiger Schrauber
- Beiträge: 590
- Registriert: 11.03.2008, 11:57
- Fahrzeug: Zafira A OPC
- Wohnort: 38820 Halberstadt
Re: Zündung Stufe 3 - keine Reaktion
Na dann warten wir mal gespannt auf seine Antwort 
Hatte auf jeden Fall so ein Problem hing aber mit ner defekten Spritpumpe zusammen und einer neuen die auch nur 15 Minuten gelaufen ist
!
Durch das Orgeln war die Batterie nicht mehr in dem Zustand das genügend Saft vorhanden war für den Anlasser aber innen Licht und Tachobeleuchtung war noch da.

Hatte auf jeden Fall so ein Problem hing aber mit ner defekten Spritpumpe zusammen und einer neuen die auch nur 15 Minuten gelaufen ist

Durch das Orgeln war die Batterie nicht mehr in dem Zustand das genügend Saft vorhanden war für den Anlasser aber innen Licht und Tachobeleuchtung war noch da.
Theoretisch Auto fahren kannn jeder aber praktisch nur Wenige!
Schön ist die Corsa B Zeit
!Ein Auto von dem ich nicht weg komme
Costa B BJ 96 erste Hand in Heliotrop die echte Männer Farbe jetzt umgebaut zum "X16XE"
Opel Vectra B CC x18xe BJ 96
Opel Zafira A Opc Bj 2002
Mein Auto rostet nicht,es speckt ab
!
Schön ist die Corsa B Zeit


Costa B BJ 96 erste Hand in Heliotrop die echte Männer Farbe jetzt umgebaut zum "X16XE"

Opel Vectra B CC x18xe BJ 96
Opel Zafira A Opc Bj 2002
Mein Auto rostet nicht,es speckt ab

Re: Zündung Stufe 3 - keine Reaktion
Das Problem an der Sache ist halt, dass es nur ganz selten auftritt. Ich werde bei Zeiten irgendwas machen, aktuell tendiere ich zu einem Austauschanlasser da er leider wieder Geräusche macht beim Ausspuren. Bisher ist es aber akzeptabel selten, somit kann es erst mal bleiben. Da aber wahrscheinlich auch die Motorlager etwas Zuneigung benötigen kann ich in dem Aufwasch auch den Anlasser inspizieren. Die Hauptleitung sollte fest sein, zumindest habe ich sie nach dem ZKD Wechsel stark angezogen.
mfg
mb
mfg
mb
- CCSS
- Gott des Forums!
- Beiträge: 6119
- Registriert: 17.06.2012, 12:40
- Fahrzeug: Corsa D 1.6 Turbo
- Wohnort: 51688 Wipperfürth
Re: Zündung Stufe 3 - keine Reaktion
Okay.
Wenn der Anlasser beim ausspuren das bekannte Geräusch macht, isser eh bald fällig.
Wenn der Anlasser beim ausspuren das bekannte Geräusch macht, isser eh bald fällig.
Gruss Sebi
Re: Zündung Stufe 3 - keine Reaktion
War heute am Schrauben, das Problem sollte gelöst sein. Die Öse an der Steuerleitung an den Anlasserschalter war locker bzw. die Mutter war weg. Es ist ein leicher Abbrand zu erkennen, da hat es wohl ab und zu gefunkt. Ich bin erstaunt, dass es ohne Mutter überhaupt funktioniert hat.
mfg
mb
mfg
mb
- Druckwelle
- Schrauber
- Beiträge: 392
- Registriert: 19.02.2015, 22:55
- Fahrzeug: Corsa B X12XE 16V
Re: Zündung Stufe 3 - keine Reaktion
Mein Glückwunsch zum gefundenen Fehlerursache!
Da zeigt sich wieder, daß Kleinigkeiten ein ganzes Auto lahmlegen können!
Gruß, Thomas
Da zeigt sich wieder, daß Kleinigkeiten ein ganzes Auto lahmlegen können!
Gruß, Thomas
Ascona B >> Kadett E >> Rekord E > > Corsa B