Opel Corsa B mit DZM - Tachobeleuchtung defekt - Sicherung nach Wechsel sofort kaputt

Instrumente, Innenverkleidung, Sitze, etc. (Corsa B)
T40k
ADAC-Holer
ADAC-Holer
Beiträge: 12
Registriert: 28.11.2017, 20:15

Re: Opel Corsa B mit DZM - Tachobeleuchtung defekt - Sicherung nach Wechsel sofort kaputt

Beitrag von T40k »

Also nachdem ich nun das Kabel bis zum Tacho gesehen habe und auch das Tacho draussen hatte kann ich sagen dass es keine oberflächlichen Schäden oder Rost grünspan oder ähnliches an Kabel oder Tacho gibt. Radio hatte auch komplett draussen, ohne Erfolg. :? @acki Bilder poste ich später, kann sie mobil irgendwie nicht anheften.

Immer noch grosses Danke an alle Helfenden
Acki
Gott des Forums!
Gott des Forums!
Beiträge: 3211
Registriert: 21.09.2005, 08:43
Wohnort: Berlin

Re: Opel Corsa B mit DZM - Tachobeleuchtung defekt - Sicherung nach Wechsel sofort kaputt

Beitrag von Acki »

Was ist denn jetzt mit den Bildern?
T40k
ADAC-Holer
ADAC-Holer
Beiträge: 12
Registriert: 28.11.2017, 20:15

Re: Opel Corsa B mit DZM - Tachobeleuchtung defekt - Sicherung nach Wechsel sofort kaputt

Beitrag von T40k »

Kommen sobald ich heute zu Hause bin. Sry
T40k
ADAC-Holer
ADAC-Holer
Beiträge: 12
Registriert: 28.11.2017, 20:15

Re: Opel Corsa B mit DZM - Tachobeleuchtung defekt - Sicherung nach Wechsel sofort kaputt

Beitrag von T40k »

Hier nun die Bilder des Sicherungskastens und der Klappe

Und die 19 ist halt die Sicherung die andauernd fliegt sobald man das Licht einschaltet.

Bild


Bild
Acki
Gott des Forums!
Gott des Forums!
Beiträge: 3211
Registriert: 21.09.2005, 08:43
Wohnort: Berlin

Re: Opel Corsa B mit DZM - Tachobeleuchtung defekt - Sicherung nach Wechsel sofort kaputt

Beitrag von Acki »

OK, danke. Sieht so weit normal aus.
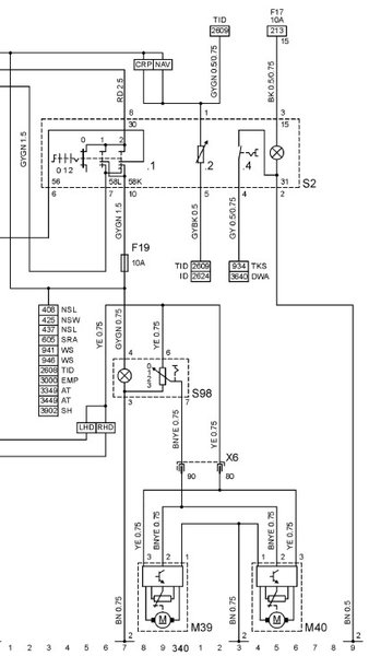
Ich hab mir den entsprechenden Teil im Stromlaufplan noch mal angesehen.
Meine Sicherungsbelegungs-Liste musste ich daraufhin nochmal kräftig erweitern :roll:

An der F19 hängen also nach meinen Erkenntnissen (abhängig davon was verbaut ist):
Leuchtweitenregulierung, Nebelschlussleuchte, Nebelscheinwerfer, Scheinwerfer-Waschanlage, Warnsummer-Licht, Warnsummer Schlüssel im Zündschloß, TID, Radio, Automatik, Sitzheizung, Carphone, Navigationssystem

Die entsprechenden Kabel sind immer grau-grün.

Ich häng dir den Ausschnitt mal an
F19.jpg
gruß Acki
T40k
ADAC-Holer
ADAC-Holer
Beiträge: 12
Registriert: 28.11.2017, 20:15

Re: Opel Corsa B mit DZM - Tachobeleuchtung defekt - Sicherung nach Wechsel sofort kaputt

Beitrag von T40k »

Hmm ok, muss ich mich einlesen ^^ Danke, mal schauen wenn es am WE nicht so kalt ist dann werde ich mich nochmals dran machen
T40k
ADAC-Holer
ADAC-Holer
Beiträge: 12
Registriert: 28.11.2017, 20:15

Re: Opel Corsa B mit DZM - Tachobeleuchtung defekt - Sicherung nach Wechsel sofort kaputt

Beitrag von T40k »

So Problem gelöst. Da ich nicht die komplette Armatur auseinanderbauen wollte, hab ich mir noch mal den Plan für das Tacho genommen und neue Kabel gezogen. Was ein Akt auf dem kleinen Raum. Nun geht wieder alles wie es soll. Am we werd ich mich an das Licht in der Klimabedienung machen. Danke an alle :driving:
Antworten

Zurück zu „Innenraum (Corsa B)“