Defekt Abblendlicht; Lenkstockschalter i.O.
-
- ADAC-Holer
- Beiträge: 8
- Registriert: 12.04.2015, 00:25
- Fahrzeug: Corsa B 1,2L
Defekt Abblendlicht; Lenkstockschalter i.O.
Hallo zusammen,
ich habe beim meinem Corsa B 1,2l von 97 ein Problem mit dem Abblendlicht und benötige euren fachkundigen Rat.
Neulich viel bei längerer Autobahnfahrt das Abblendlicht auf beiden Seiten spontan aus. Ich habe dann festgestellt, dass es an bleibt, wenn ich den Lenkstockschalter/Blinkerschalter ganz leicht zu mir ziehe. Also quasi bis kurz vor die Lichthupen-Funktion. Da ich ein Defekt des Schalters annahm, habe ich Ihn gegen einen neuen getauscht, jedoch ohne Erfolg. Sobald ich das Licht einschalte leuchtet nur das Standlicht und nur durch festhalten des Blinkerhebels geht das Abblendlicht an. Das Fernlicht funktioniert ohne Probleme.
Ich habe leider keinen Schaltplan um die Schalterfunktionen und Kontakte nach vollziehen zu können. Hat jemand von euch eine Idee was die Ursache sein kann?
Vielen Dank im Voraus!
Gruß
Jakob
ich habe beim meinem Corsa B 1,2l von 97 ein Problem mit dem Abblendlicht und benötige euren fachkundigen Rat.
Neulich viel bei längerer Autobahnfahrt das Abblendlicht auf beiden Seiten spontan aus. Ich habe dann festgestellt, dass es an bleibt, wenn ich den Lenkstockschalter/Blinkerschalter ganz leicht zu mir ziehe. Also quasi bis kurz vor die Lichthupen-Funktion. Da ich ein Defekt des Schalters annahm, habe ich Ihn gegen einen neuen getauscht, jedoch ohne Erfolg. Sobald ich das Licht einschalte leuchtet nur das Standlicht und nur durch festhalten des Blinkerhebels geht das Abblendlicht an. Das Fernlicht funktioniert ohne Probleme.
Ich habe leider keinen Schaltplan um die Schalterfunktionen und Kontakte nach vollziehen zu können. Hat jemand von euch eine Idee was die Ursache sein kann?
Vielen Dank im Voraus!
Gruß
Jakob
Corsa B 1,2L City; Motor: X12SZ; 214988km
Re: Defekt Abblendlicht; Lenkstockschalter i.O.
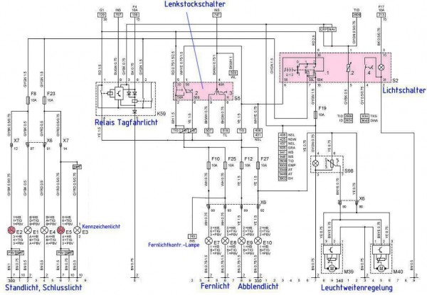
Stromlaufpläne findest du hier im Buch im ersten Beitrag.
Das können durchgescheuerte Kabel sein, oder eine weggegammelte Masse.
Wenn du im Normalbetrieb den Hebel vorsichtig ran ziehst, ist zwischen Abblendlicht und Fernlicht ein mechanisch bedingter Punkt, wo weder noch gehen. Das ist möglicherweise genau die Stellung, wo deine Scheinwerfer irgendwo anders her Spannung bekommen.
Möglicherweise liegt auch ein Defekt im K59 Relais für Tagfahrlicht vor.
Das können durchgescheuerte Kabel sein, oder eine weggegammelte Masse.
Wenn du im Normalbetrieb den Hebel vorsichtig ran ziehst, ist zwischen Abblendlicht und Fernlicht ein mechanisch bedingter Punkt, wo weder noch gehen. Das ist möglicherweise genau die Stellung, wo deine Scheinwerfer irgendwo anders her Spannung bekommen.
Möglicherweise liegt auch ein Defekt im K59 Relais für Tagfahrlicht vor.

Opel Corsa B 1.2i 8V (X12SZ) LPG, CC, in der Steppe |Wüste
Opel Corsa B 1.2i 8V (X12SZ) Karibikblau, LPG, CC, 45mm Höherlegung
Opel Corsa B 1.2 8V (C12NZ)
Opel Omega B Caravan 2.0 16V (X20XEV) Automatik LPG KME Nevo Pro 74l Tank
Opel Frontera A Sport 2.0 8V (X20SE) LPG, CC, KME Nevo Sky Sun 103l Tank
†Opel Corsa B 1.0 12V (X10XE) CC
Hammer, Zange, Draht - fährste bis nach Leningrad! (w.z.b.w.)
polarsteps
- Druckwelle
- Schrauber
- Beiträge: 392
- Registriert: 19.02.2015, 22:55
- Fahrzeug: Corsa B X12XE 16V
Re: Defekt Abblendlicht; Lenkstockschalter i.O.
Hallo zusammen,
das Tagfahrlicht-Relais K59 war nur eingesteckt,
wenn der Corsa in skandinavischen Ländern ausgeliefert wurde.
Leuchtet das Abblendlicht ggf. "normal hell" oder glimmt es?
Wenn der Strom von "anderswo" herkommen würde, kann es kaum "normal hell" leuchten,
weil die 110 Watt (= ca. 9 Ampere) einen ausreichenden Leitungsquerschnitt benötigen.
Bei fehlender Masseverbindung leuchtet gleich gar nichts.
Ein Wackelkontakt in der Kontaktkupplung des Lenkstockschalters lässt sich prüfen,
indem Du dort mal die Kontakte 56 und 56A mit einem Draht brückst.
Dann muß das Abblendlicht leuchten. Sind die Kontakthülsen in der Kontaktkupplung eventuell zu locker?
Dann überhitzen sie im Betrieb (=sogenanntes "Stehfeuer") und sind dadurch möglicherweise verzundert.
Durch mechanische Torsion beim Ziehen des Hebels könnte die Stelle
dann halt kurzzeitig besseren Kontakt bekommen.
In diesem Fall einfach nachbiegen und durch mehrfaches Einstecken und Abziehen blank reiben.
Gruß, Thomas
das Tagfahrlicht-Relais K59 war nur eingesteckt,
wenn der Corsa in skandinavischen Ländern ausgeliefert wurde.
Leuchtet das Abblendlicht ggf. "normal hell" oder glimmt es?
Wenn der Strom von "anderswo" herkommen würde, kann es kaum "normal hell" leuchten,
weil die 110 Watt (= ca. 9 Ampere) einen ausreichenden Leitungsquerschnitt benötigen.
Bei fehlender Masseverbindung leuchtet gleich gar nichts.
Ein Wackelkontakt in der Kontaktkupplung des Lenkstockschalters lässt sich prüfen,
indem Du dort mal die Kontakte 56 und 56A mit einem Draht brückst.
Dann muß das Abblendlicht leuchten. Sind die Kontakthülsen in der Kontaktkupplung eventuell zu locker?
Dann überhitzen sie im Betrieb (=sogenanntes "Stehfeuer") und sind dadurch möglicherweise verzundert.
Durch mechanische Torsion beim Ziehen des Hebels könnte die Stelle
dann halt kurzzeitig besseren Kontakt bekommen.
In diesem Fall einfach nachbiegen und durch mehrfaches Einstecken und Abziehen blank reiben.
Gruß, Thomas
Ascona B >> Kadett E >> Rekord E > > Corsa B
-
- ADAC-Holer
- Beiträge: 8
- Registriert: 12.04.2015, 00:25
- Fahrzeug: Corsa B 1,2L
Re: Defekt Abblendlicht; Lenkstockschalter i.O.
Vielen Dank für eure Tipps.
Ich habe heute den Lenkstockschalter nochmal ausgebaut und mir die Kontakte genauer angesehen.
Der Kunststoffhalter der Steckkontakte hat an der Klemme 56 geschmort (s.Bild). Wenn ich die Klemme 56 auf 56b brücke, geht das Abblendlicht an, bei 56 auf 56a das Fernlicht. Ich gehe also davon aus, dass die Steckkontakte das Problem sind.
Kann ich den Kunststoffhalter beim FOH einzeln kaufen?
Kann man die Kontakthülsen entfernen, wenn man den Hellgrauen Bügel ausbaut? Kann ich den einfach rausziehen?
Gruß
Ich habe heute den Lenkstockschalter nochmal ausgebaut und mir die Kontakte genauer angesehen.
Der Kunststoffhalter der Steckkontakte hat an der Klemme 56 geschmort (s.Bild). Wenn ich die Klemme 56 auf 56b brücke, geht das Abblendlicht an, bei 56 auf 56a das Fernlicht. Ich gehe also davon aus, dass die Steckkontakte das Problem sind.
Kann ich den Kunststoffhalter beim FOH einzeln kaufen?
Kann man die Kontakthülsen entfernen, wenn man den Hellgrauen Bügel ausbaut? Kann ich den einfach rausziehen?
Gruß
Corsa B 1,2L City; Motor: X12SZ; 214988km
- Druckwelle
- Schrauber
- Beiträge: 392
- Registriert: 19.02.2015, 22:55
- Fahrzeug: Corsa B X12XE 16V
Re: Defekt Abblendlicht; Lenkstockschalter i.O.
Hallo Jakob,
stimmt, ich habe mich vertan - die Klemme 56B ist für das Abblendlicht
und 56A für's Fernlicht. Also genau andersherum.
Es genügt völlig, die Kontakte z.B. mit einer Schraubendreherklinge eng zusammenzubiegen,
damit sie hinterher wieder schön straff anliegen - mindestens wie im Bild bei Klemme 30.
(Vorher vielleicht noch etwas blankkratzen.)
Dann sollte alles wieder gut sein.
Die angeschmolzenen Stellen vom Kunststoff sind dabei egal (Schönheitsfehler).
Das Herausnehmen der Kontakthülse bzw. Zerlegen der Kupplung dürfte gar nicht nötig sein.
Als Ersatzteil gibt es wahrscheinlich nur den kompletten Kabelbaum.
Gruß, Thomas
stimmt, ich habe mich vertan - die Klemme 56B ist für das Abblendlicht
und 56A für's Fernlicht. Also genau andersherum.

Es genügt völlig, die Kontakte z.B. mit einer Schraubendreherklinge eng zusammenzubiegen,
damit sie hinterher wieder schön straff anliegen - mindestens wie im Bild bei Klemme 30.
(Vorher vielleicht noch etwas blankkratzen.)
Dann sollte alles wieder gut sein.

Die angeschmolzenen Stellen vom Kunststoff sind dabei egal (Schönheitsfehler).
Das Herausnehmen der Kontakthülse bzw. Zerlegen der Kupplung dürfte gar nicht nötig sein.
Als Ersatzteil gibt es wahrscheinlich nur den kompletten Kabelbaum.
Gruß, Thomas
Ascona B >> Kadett E >> Rekord E > > Corsa B
-
- ADAC-Holer
- Beiträge: 8
- Registriert: 12.04.2015, 00:25
- Fahrzeug: Corsa B 1,2L
Re: Defekt Abblendlicht; Lenkstockschalter i.O.
Habe mein Glück heute versucht, leider ohne Erfolg.
Die Kontakte lassen sich nicht ausreichend zurück biegen, bzw. halten die Form nicht. Ich habe darauf hin versucht das Teil neu zu bekommen, gibt es nur als Kabelbaum für über 1000€, der nicht mehr lieferbar ist. Ich besorge mir morgen vom Schrotti so ein Teil und hoffe es damit richten zu können.
Gruß
Die Kontakte lassen sich nicht ausreichend zurück biegen, bzw. halten die Form nicht. Ich habe darauf hin versucht das Teil neu zu bekommen, gibt es nur als Kabelbaum für über 1000€, der nicht mehr lieferbar ist. Ich besorge mir morgen vom Schrotti so ein Teil und hoffe es damit richten zu können.
Gruß
Corsa B 1,2L City; Motor: X12SZ; 214988km
- Druckwelle
- Schrauber
- Beiträge: 392
- Registriert: 19.02.2015, 22:55
- Fahrzeug: Corsa B X12XE 16V
Re: Defekt Abblendlicht; Lenkstockschalter i.O.
Hallo Jakob,
vielleicht kannst Du die Kupplung öffnen um nur den betreffenden Kontakt zu wechseln.
Es wäre auch denkbar, das Kupplungsgehäuse hier aufzufräsen
und lediglich eine neue Flachsteckhülse für Kontakt 56 anzulöten und separat aufzuschieben.
Gruß, Thomas
vielleicht kannst Du die Kupplung öffnen um nur den betreffenden Kontakt zu wechseln.
Es wäre auch denkbar, das Kupplungsgehäuse hier aufzufräsen
und lediglich eine neue Flachsteckhülse für Kontakt 56 anzulöten und separat aufzuschieben.
Gruß, Thomas
Ascona B >> Kadett E >> Rekord E > > Corsa B
-
- ADAC-Holer
- Beiträge: 8
- Registriert: 12.04.2015, 00:25
- Fahrzeug: Corsa B 1,2L
Re: Defekt Abblendlicht; Lenkstockschalter i.O.
Liebe Corsafreunde,
ich möchte ich euch hiermit noch ein Update zum mittlerweile gelösten Problem geben.
Nachdem ich das Kunststoffteil durch ein gebrauchtes getauscht habe, änderte sich nichts. Die alten Kontakte waren völlig in Ordnung. Daraufhin habe ich mir die Schalter vorgenommen und festgestellt, dass der neue Schalter den gleichen defekt hat wie der Alte. Beide schalten die Klemme 56 nicht durch. Ich habe dann noch einen neuen Schalter von Magneti Marelli bekommen können und mit dessen Einbau war das Problem gelöst. Ja ein Anfängerfehler, das hätte ich schneller herausfinden können, aber man geht bei einem neuen Schalter von einem funktionierenden Teile aus.
Das defekte Neuteil habe ich über Autodoc bezogen, es war mit STARK gelabelt. Auf meine Reklamation gab es bisher aber noch keine Reaktion.
Den alten Schalter habe ich zerlegt um mir das Problem anzusehen. Schlussendlich ist nur eine Gleitbahn des Hebels verschlissen, sodass er durch einen kleinen Spalt kein Kontakt mehr mit der Klemme 56b aufbaut.
Folgend möchte ich noch ein paar Worte zum Steckverbinder verlieren. Evtl. kann das ja mal einer brauchen:
Die Kontakte sind in dem schwarzen Kunststoffgehäuse zweifach gesichert. Die Primärsicherung wird durch kleine Rasthäkchen an den einzelnen Kontakten realisiert, die Sekundärsicherung durch den grauen Kunststoffbügel.
Schalter zerlegen:
Der graue Bügel kann mit einem Schraubendreher zur Seite raus gehebelt werden. Nach Entfernung des Bügels müssen die Kontakte einzeln entriegelt werden. Dazu benötigt man ein "Auspinnwerkzeug", welches man in die kleinen Kanäle über den Klemmen einführt. Die Klemmen haben zwar beidseitig Rasthaken, werden in diesem Gehäuse aber nur einseitig gehalten. Das Auspinnwerkzeug wird als Typ 2 bezeichnet. Die Klinge hat eine Breite von 1,9mm und ist 1mm dick. Mein Werkzeug stammt von Hazet und hat die Art.Nr.: 4673-4.
Vielen Dank für eure Hilfe!
Gruß
"Neuer" Kunststoffhalter, sieht zwar anders aus, ist aber passend.
Steckverbinder von unten. Der graue Bügel lässt sich mit einem Schraubendreher nach rechts raus hebeln.
"Auspinnen" der Kontakte
Kontaktstück, mit Klemmfahnen
ich möchte ich euch hiermit noch ein Update zum mittlerweile gelösten Problem geben.
Nachdem ich das Kunststoffteil durch ein gebrauchtes getauscht habe, änderte sich nichts. Die alten Kontakte waren völlig in Ordnung. Daraufhin habe ich mir die Schalter vorgenommen und festgestellt, dass der neue Schalter den gleichen defekt hat wie der Alte. Beide schalten die Klemme 56 nicht durch. Ich habe dann noch einen neuen Schalter von Magneti Marelli bekommen können und mit dessen Einbau war das Problem gelöst. Ja ein Anfängerfehler, das hätte ich schneller herausfinden können, aber man geht bei einem neuen Schalter von einem funktionierenden Teile aus.
Das defekte Neuteil habe ich über Autodoc bezogen, es war mit STARK gelabelt. Auf meine Reklamation gab es bisher aber noch keine Reaktion.
Den alten Schalter habe ich zerlegt um mir das Problem anzusehen. Schlussendlich ist nur eine Gleitbahn des Hebels verschlissen, sodass er durch einen kleinen Spalt kein Kontakt mehr mit der Klemme 56b aufbaut.
Folgend möchte ich noch ein paar Worte zum Steckverbinder verlieren. Evtl. kann das ja mal einer brauchen:
Die Kontakte sind in dem schwarzen Kunststoffgehäuse zweifach gesichert. Die Primärsicherung wird durch kleine Rasthäkchen an den einzelnen Kontakten realisiert, die Sekundärsicherung durch den grauen Kunststoffbügel.
Schalter zerlegen:
Der graue Bügel kann mit einem Schraubendreher zur Seite raus gehebelt werden. Nach Entfernung des Bügels müssen die Kontakte einzeln entriegelt werden. Dazu benötigt man ein "Auspinnwerkzeug", welches man in die kleinen Kanäle über den Klemmen einführt. Die Klemmen haben zwar beidseitig Rasthaken, werden in diesem Gehäuse aber nur einseitig gehalten. Das Auspinnwerkzeug wird als Typ 2 bezeichnet. Die Klinge hat eine Breite von 1,9mm und ist 1mm dick. Mein Werkzeug stammt von Hazet und hat die Art.Nr.: 4673-4.
Vielen Dank für eure Hilfe!
Gruß
"Neuer" Kunststoffhalter, sieht zwar anders aus, ist aber passend.
Steckverbinder von unten. Der graue Bügel lässt sich mit einem Schraubendreher nach rechts raus hebeln.
"Auspinnen" der Kontakte
Kontaktstück, mit Klemmfahnen
Corsa B 1,2L City; Motor: X12SZ; 214988km
- Druckwelle
- Schrauber
- Beiträge: 392
- Registriert: 19.02.2015, 22:55
- Fahrzeug: Corsa B X12XE 16V
Re: Defekt Abblendlicht; Lenkstockschalter i.O.
Hallo Jakob,
erstmal Glückwunsch zur erfolgreichen Operation
und Danke für Dein Feedback!
Hmm, ...die Kontaktklemme sah ganz schön aufgeweitet aus.
Wenn es hier zu einer Hitzeentwicklung kommt, kann die sich natürlich
auch auf den Kunststoff des Blinkerhebel-Gehäuses übertragen
und (zusätzlich zur Kontaktbahn-Abnutzung) noch eine Verformung verursachen.
Dann entsteht hier das gleiche Hitzeproblem durch den erhöhten Übergangswiderstand.
Wirkt denn der alte Schalter in diesem Bereich ebenfalls so angeschmolzen an
wie die Kontakt-Kupplung?
Gruß, Thomas
erstmal Glückwunsch zur erfolgreichen Operation
und Danke für Dein Feedback!
Hmm, ...die Kontaktklemme sah ganz schön aufgeweitet aus.
Wenn es hier zu einer Hitzeentwicklung kommt, kann die sich natürlich
auch auf den Kunststoff des Blinkerhebel-Gehäuses übertragen
und (zusätzlich zur Kontaktbahn-Abnutzung) noch eine Verformung verursachen.
Dann entsteht hier das gleiche Hitzeproblem durch den erhöhten Übergangswiderstand.
Wirkt denn der alte Schalter in diesem Bereich ebenfalls so angeschmolzen an
wie die Kontakt-Kupplung?
Gruß, Thomas
Ascona B >> Kadett E >> Rekord E > > Corsa B
- CCSS
- Gott des Forums!
- Beiträge: 6119
- Registriert: 17.06.2012, 12:40
- Fahrzeug: Corsa D 1.6 Turbo
- Wohnort: 51688 Wipperfürth
Re: Defekt Abblendlicht; Lenkstockschalter i.O.
Danke für die Rückmeldung und auch für die Ausführlichkeit.
Echt klasse, wenn das noch so schön mit Bildern untermalt wird.
Wenn Neuteile schon defekt sind und/ oder Qualitativ Müll ist das extrem ärgerlich. Und dann darauf zu kommen, wo der Fehler liegt...
Echt klasse, wenn das noch so schön mit Bildern untermalt wird.
Wenn Neuteile schon defekt sind und/ oder Qualitativ Müll ist das extrem ärgerlich. Und dann darauf zu kommen, wo der Fehler liegt...

Gruss Sebi